Kobling av lysdioder
Innleding
I dette kapittelet skal vi se nærmere på hvordan lysdioder kobles. Lysdioder oppfører seg nemlig ikke på samme måte som tradisjonelle glødepærer.
Strømbegrensning
Til forskjell fra en glødepære begrenser ikke en lysdiode hvor mye strøm som går gjennom den. Hvis lysdioden kobles direkte til en spenningskilde, vil spenningskilden kortslutte og lysdioden bli ødelagt. Lysdioder må derfor kobles i serie med motstander som begrenser strømflyten.
Med Ohms lov er det enkelt å regne ut hvilken strømbegrensningsmotstand som er nødvendig. I følgende eksempel skal vi drive en lysdiode via 5 V (dvs. samme spenning som utviklingskortet har).

Lysdioden har en forspenning på 2 V og bør drives med 10 mA. Spenningskilden er 5 V. Ut fra denne informasjonen kan vi regne ut hvilken resistans motstanden skal ha.

Ifølge utregningen skal motstanden ha en resistans på 300 Ω. I bokens medfølgende komponentpakke er det ingen slike motstander. Det er imidlertid motstander på 330 Ω, og det går like fint å bruke disse (i og med at resistansen deres bare er litt høyere). Tommelfingerregelen for valg av motstand er alltid å runde oppover.
Varmeutvikling
Vi må også sjekke at vi ikke overskrider motstandens nominelle effekt. Det gjør vi med effektberegningsformelen.

Ettersom 30 mW er langt under motstandens nominelle effekt på 250 mW, kan vi bruke den uten risiko for overoppheting.
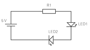
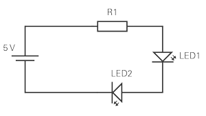
Seriekoppling av lysdioder
Det går fint å seriekoble lysdioder så lenge den totale forspenningen ikke overstiger driftsspenningen. Vi kan uten problemer koble til en likedan lysdiode i serien. De to lysdiodenes totale forspenning blir da 4 V, som er lavere enn driftsspenningen på 5 V.

Men da måtte vi nok ha byttet ut motstanden med en motstand på 100 Ω.

Den motstanden håndterer varmeutviklingen uten problemer.

Obs! Legg merke til at vi ikke kunne ha koblet tre lysdioder i serie, for da hadde den totale forspenningen over lysdiodene vært høyere enn driftsspenningen.
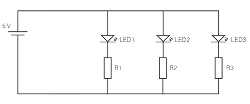
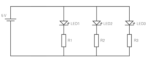
Parallellkobling av lysdioder
Lysdioder kan også parallellkobles. For ikke å risikere å overstige den nominelle effekten på motstanden anbefales det å koble en motstand i serie med hver lysdiode. Hvis vi for eksempel vil koble tre lysdioder til en 5 V-spenningskilde, bruker vi tre motstander som er koblet slik:

Vi trenger bare regne ut verdien for én av motstandene. Så lenge lysdiodene er av samme type, vil motstandene også være de samme.

Legg merke til at vi allerede har gjort utregningen en gang tidligere. Vi vet derfor at det ikke er noe problem med varmeutviklingen.
I dette tilfellet kunne vi også ha koblet til bare én felles motstand for å begrense strømmen til de tre lysdiodene. Den koblingen hadde sett slik ut:

Resistansen til motstanden skulle ha vært på 100 Ω, og den hadde kunnet håndtere effektutviklingen (90 mW). Hvis kretsen hadde inneholdt flere lysdioder (eller sterkere lysdioder), hadde det imidlertid vært risiko for overbelastning av motstanden.
