Kobling av motstander
Innleding
I dette kapittelet skal vi se nÊrmere pÄ hvordan motstander oppfÞrer seg nÄr de seriekobles og parallellkobles (teoretiske regneeksempler). Kapittelet bygger videre pÄ den grunnleggende el-lÊren fra Spenning, strÞm, resistans og effekt.
Tilkobling av motstand
En motstand kobles til pÄ samme mÄte som vi koblet til lyspÊrer i Seriekobling og parallellkobling, men vi mÄ ogsÄ kontrollere at ikke varmeutviklingen i motstanden blir for hÞy. De fleste vanlige motstander har en nominell effekt pÄ 0,25 W. Denne mÄ ikke overskrides.
I fÞlgende eksempel skal vi undersÞke om vi kan koble en motstand pÄ 4,7 kΩ direkte til et 9 V-batteri.

Kombinasjonen av Ohms lov og effektberegningsformelen sier at effekten er spenningen opphÞyd i andre dividert pÄ resistansen.

Siden 17 mW er betydelig mindre enn 250 mW er det ikke noe problem.
Vi kan ogsÄ beregne effekten ved fÞrst Ä fÄ rede pÄ strÞmmen (med Ohms lov) og deretter regne ut effekten ut fra spenningen og strÞmmen.

Â
Seriekobling av motstander
Iblant er det vanskelig Ä finne en motstand med riktig resistans. Iblant blir effektutviklingen over en enkeltstÄende motstand for hÞy. I begge tilfeller kan problemet lÞses gjennom Ä seriekoble motstander.
Ved seriekobling av motstander adderes motstandenes resistans. I fÞlgende eksempel skal vi seriekoble en motstand pÄ 220 Ω og en motstand pÄ 330 Ω i en krets til et 9 V-batteri.

Den totale resistansen regnes ut pÄ fÞlgende mÄte:

Vi kan bruke Ohms lov til Ä beregne strÞmmen som gÄr gjennom kretsen.

Â
Spenningsfall over seriekoblede motstander
NÄr vi vet strÞmmen, kan vi ogsÄ beregne spenningsfallet over de to mostandene.

Vi kan raskt undersĂžke om vi har regnet riktig. Spenningsfallet over de enkelte motstandene skal til sammen bli den opprinnelige spenningen. Grunnen til at det ikke stemmer helt nĂžyaktig er avrundingene vi gjorde tidligere.


Â
Varmeutvikling i seriekoblede motstander
Vi mÄ ogsÄ forsikre oss om at ikke varmeutviklingen blir for hÞy i noen av motstandene. Det gjÞr vi slik:


Siden 56 mW og 85 mW er betydelig lavere enn de 250 mW som motstandene klarer Ä hÄndtere, er effektutviklingen ikke noe problem.
Parallellkobling av motstander
Motstander kan ogsÄ parallellkobles. Da beregnes den totale resistansen pÄ en annen mÄte. Den totale resistansen blir alltid lavere enn den laveste resistansen i parallellkoblingen (jamfÞr seriekobling, der resistansen Þker jo flere motstander som kobles til).
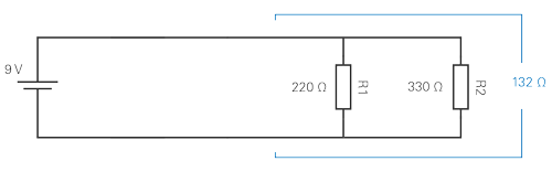
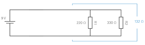
I fÞlgende eksempel skal vi parallellkoble en motstand pÄ 220 Ω og en motstand pÄ 330 Ω i en krets til et 9 V-batteri.

Den totale resistansen regnes ut slik:.


Â
Tips! Hvis det bare er to motstander som er parallellkoblet, kan fĂžlgende hurtigformel brukes til utregning:

Â
StrĂžm gjennom parallellkoblede motstander
Vi trenger ikke regne ut spenningen over parallellkoblede motstander siden den er den samme. Men vi mÄ regne ut strÞmmen som gÄr gjennom motstandene. Det gjÞr vi ved hjelp av Ohms lov.

Vi kan raskt sjekke om vi har regnet riktig. Summen av strÞmmen som gÄr gjennom de parallellkoblede motstandene, skal vÊre like stor som strÞmmen som gÄr gjennom hele kretsen. Grunnen til at det ikke stemmer helt nÞyaktig er avrundingene vi gjorde tidligere.

Akkurat som i forrige eksempel mÄ vi forsikre oss om at ikke varmeutviklingen i motstandene blir for hÞy.

Â

Â
Dessverre blir varmeutviklingen i motstanden pÄ 220 Ω for hÞy! 350 mW er mer enn de 250 mW som den er konstruert for. Vi mÄ derfor erstatte den med to seriekoblede motstander pÄ 110 Ω. Det blir samme resistans, men effektutviklingen per motstand blir lavere.

Â

Â
StrÞmmen som gÄr gjennom de to motstandene, er den samme (39 mA). Spenningen blir derimot fordelt over motstandene.

Â
Det innebĂŠrer at effektutviklingen i mostandene blir lavere.

Â
170 mW er lavere enn 250 mW, og det gÄr derfor fint Ä erstatte motstanden pÄ 220 Ω med to motstander pÄ 110 Ω.