Elektrisitet i hjemmet
Elektrisk installasjon

Eksempel på elektrisk installasjon i en villa
Målerskap og hovedsentral
Fra strømleverandøren går nettspenningen inn i eiendommens hovedsikringer og hovedstrømbrytere via det som kalles serviceledning. Derfra går forbindelsen videre til hovedsentralen via strømmåleren. Hovedsentralen er utstyrt med en hovedbryter. I moderne elektriske installasjoner er hovedsentralen en såkalt normsentral. Eksemplet over viser den eldre typen sentral med plugger (gjengesikringsentral). Dette er fordi det er lettere å forstå. Prinsippet for den moderne normsentralen er imidlertid det samme.
Hovedsikring
Det er hovedsikringen som bestemmer hvor mye strøm systemet kan belastes med. Eksempel: en eiendom som er sikret med 3x20 A kan trekke ut en maksimal effekt på 3 · 230 · 20 = 13,8 kW (resistiv belastning). Abonnenten betaler også en avgift til strømleverandøren, som er høyere jo større sikring abonnenten velger.
Sikring
En sikring er en beskyttende komponent. Funksjonen den har er å kutte strømmen når den når over et visst nivå. Ved å kutte strømmen i tide, kan man unngå følgeskader og brann. Sikringer (også kalt plugger) finnes i elsentralen. Det finnes ulike størrelser på sikringene, avhengig av hvor de skal brukes. Hvor mye strøm en sikring tåler er merket i ampere (A). Sikringer kjennetegnes ved forskjellige fysiske størrelser og fargemerker. Det finnes automatsikringer og porselenssikringer.
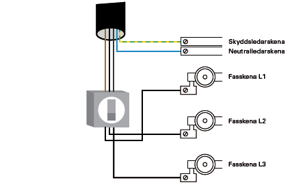
Faseleder
Det er tre faseledere (L1, L2 og L3) som føres til hovedsentralen. Det er fasene som er de spennings-/strømførende forbindelsene.
System med fire ledere
PEN-ledere brukes i et fireledersystem (også kalt et TN-C-system, der C er en forkortelse for Combined). I et fireledersystem mates sentralen med trefaseledere og en PEN-leder. PEN er en forkortelse for Protected Earth (PE) og Neutral (N). PEN-lederen er en kombinert beskyttelses- og nøytralleder som kobles til beskyttelseslederskinnen i sentralen. Nøytrallederen ble tidligere kalt nulleder eller null. Beskyttelseslederen er den samme som jording. PEN-lederen kalles også populært hovednull.

Fireledersystem med PEN-leder
System med fem ledere
Alle nye anlegg bruker femledersystemer. I et femledersystem er beskyttelseslederen (PE) og nøytrallederen (N) delt. Det kalles også TN-S-system (der S er forkortelse for Separated). Akkurat som i fireledersystemet, mates sentralen med trefaseledere. Det er ikke tillatt å gå fra et femledersystem (TN-S) til et fireledersystem (TN-C). Det omvendte fungerer imidlertid bra.

I femledersystemer er PE- og N-lederne separert
Hvor kommer nøytrallederen og beskyttelseslederen fra?
Nøytrallederen (N) går til nøytralpunktet til transformatoren i nettstasjonen. Beskyttelseslederen (PE) kobles deretter til nullederen. Sammenkoblingen skjer i abonnentens hovedsentral i et fireledersystem (TN-C). I et femledersystem skjer sammenkoblingen i nettstasjonens transformator (TN-S). I nye installasjoner brukes det i dag alltid femledersystemer. Nøytrallederen er vanligvis blå, mens beskyttelseslederen alltid er gul/grønn.

I femledersustem skilles PE- og N-lederne fra transformatoren i nettstasjonen.
Hva er funksjonen til jordingsbeskyttelsen?
Hva er funksjonen til jordingsbeskyttelsen?
Strømnettets beskyttelsesleder er i direkte kontakt med vannrør, radiatorer, vask, betonggulv osv. via jording. Beskyttelseslederen (PE) har som oppgave å lede strømmen til jord ved kortslutning eller isolasjonssvikt, i et apparat eller maskin. For å hindre at apparatets skall blir strømførende, kobles beskyttelseslederen til der. Strømmen velger alltid minste motstands vei: hvis det er lettere å gå ut gjennom et apparats hus, i stedet for den vanskeligere veien gjennom apparatets belastning så er det det strømmen vil gjøre. Det er spesielt viktig å være forsiktig når du bruker strøm utendørs. Bruk alltid jordet utstyr utendørs, spesielt med tanke på at du er i direkte kontakt med bakken, dvs. jorden.
Feilfri installasjon
I eksemplet nedenfor går strømmen fra faseleder til nøytral leder gjennom belastningen. Apparathuset er korrekt koblet til beskyttelseslederen.

Fungerende oppvaskmaskin, riktig tilkoblet
Feil i installasjonen
Hvis det oppstår en feil i maskinen (f.eks. isolasjonsfeil eller kortslutning) som gjør at huset er strømførende, ledes strømmen bort fra huset til jord, gjennom beskyttelseslederen. I dette tilfellet er det ingen belastning som begrenser strømmen, det vil få sikringen til å gå.

Jordfeil i oppvaskmaskin, sikringen går
Livsfarlig installasjon
Her ser vi et ekte skrekkeksempel. Beskyttelseslederen er ikke tilkoblet og maskinen har fått en isolasjonsfeil. Det fører til at maskinhuset blir strømførende. En person som står barbeint på et flislagt gulv er i ferd med å tømme maskinen. I tillegg har personen våte hender og lener seg mot vasken. Strømmen ledes nå gjennom kroppen til jord og blir dødelig høy, men langt fra så høy at sikringen går.

Beskyttelsesjord ikke tilkoblet, jordfeil i oppvaskmaskin
Eluttak
Vi har to forskjellige typer eluttak: det moderne med jording og den eldre uten jording.

Den jordede kontakten til venstre og den ujordede til høyre.
Stikkontakter
Stikkontakter som brukes i Norden finnes i flere varianter enn eluttakene. Eurokontakten er en ujordet stikkontakt og den jordede (Schuko-kontakten) er de vanligste.

Eurokontakten er smalere enn den ujordede kontakten og brukes til strømstyrker på opptil 2,5 A. I stedet for beskyttelsesjording, bruker utstyr med eurokontakt dobbel isolasjon for å øke sikkerheten (les mer nedenfor). Eurokontakten finnes også i en kraftigere versjon som brukes for eksempel til støvsugere. Den kontakten er rund med skrå kanter slik at jordstiften passer inn i moderne eluttak. Eurokontakten passer inn i alle eluttak.
Schuko-kontakten er designet for å være så sikker som mulig. Den er utstyrt med jordstifter som alltid kommer i kontakt med eluttaket for maksimal sikkerhet. Schuko-kontakten er også egnet for høye strømstyrker (opptil 16 A) og passer inn i alle moderne eluttak.
Den ujordede kontakten er verken dobbeltisolert eller jordet. Den brukes derfor ikke i nytt utstyr og skal fases helt ut på grunn av manglende personbeskyttelse. Den ujordede kontakten passer inn i ujordede eluttak, men ikke i jordede eluttak. Det er et bevisst valg i utformingen av det jordede uttaket for å fremskynde utfasingen av ubeskyttede produkter.
Dobbeltisolerte apparater
Apparater som ikke har beskyttelsesjording må bruke ekstra isolasjon. Dette gjør at utstyret er ekstra beskyttet for å redusere faren for at apparatets hus blir strømførende. Apparater med denne ekstra isolasjonen kalles dobbeltisolert og skal merkes med et dobbelt kvadratisk symbol.

Symbolet for dobbelisolering.
En slikt apparat kan bruke den ikke-jordede flate kontakten som kalles eurokontakt. Kontakten må være helstøpt (ikke mulig å åpne) og den kan brukes i både jordede og ujordede eluttak. Det har blitt stadig mer vanlig med dobbeltisolerte apparater. Eksempler på vanlig brukte dobbeltisolerte apparater er støvsugere, stavmiksere, datahøyttalere, strømadaptere og håndverktøy.
Jordfeilbryter
En jordfeilbryter er en billig og effektiv livsforsikring, samtidig som den forbedrer brannsikkerheten. Jordfeilbrytere er obligatoriske i alle nyinstallasjoner. Formålet med jordfeilbryteren er å raskt oppdage feil i installasjonen og deretter kunne kutte strømmen. Strømmen som ledes ut i faselederen skal være den samme som går tilbake i nullederen. Hvis den målte verdien (totalstrømmen) ikke er null, betyr det at strømmen går tapt et sted underveis (lekkasjestrøm). En slik lekkasje kalles jordfeil eller isolasjonsfeil. Hvis forskjellen er på 30 mA eller mer, vil jordfeilbryteren raskt kutte strømmen. Jordfeilbryteren utløses også hvis den oppdager at nullederen og beskyttelseslederen kommer i kontakt med hverandre (dette kan skje i et defekt apparat eller ved feil installasjon). Jordfeilbrytere finnes i både en- og trefaseutgaver. Det finnes også bærbare jordfeilbrytere som kobles til mellom apparatet og eluttaket.
Når beskytter jordfeilbryteren?
- Ved isolasjons- og jordfeil (lekkasjestrøm).
- Hvis et apparats hus blir strømførende.
- Hvis noen kommer i kontakt med strømførende deler og jord samtidig.
- Hvis noen bestemmer seg for å bruke et apparat på feil måte i et vått miljø.
- Hvis et apparat er feilinstallert.
- Hvis apparatets kabel er i klem eller skadet.
- Det reduserer også faren for brann ved å bryte lekkasjestrømmen som kan være varmeutviklende.
Når beskytter ikke jordfeilbryteren?
- Hvis noen kommer i kontakt med strøm som går fra faseleder til nulleder.
- Hvis noen kommer i kontakt med strøm som går fra faseleder til faseleder.
IP-klassifisering (kapslingsklasser)
Elektriske produkter og en del elektrisk utstyr er delt inn i ulike kapslingsklasser. Hvilken kapslingsklasse som gjelder er angitt med bokstavene IP, etterfulgt av to tall. IP er en forkortelse av Ingress Protection. Formålet med IP-klassifiseringen er å vise hvilket beskyttelsesnivå produktet har og i hvilket miljø det kan brukes. Det første tallet indikerer graden av pirk- og støvbeskyttelse og det andre indikerer hvor vanntett produktet er. Jo høyere tall, jo bedre beskyttelse.
| IPXX | Første tall | Andre tall |
|---|---|---|
| 0 | Ingen beskyttelse | Ingen beskyttelse |
| 1 | Beskyttet mot gjenstander større enn 50 mm i diameter | Dryppbeskyttet |
| 2 | Beskyttet mot gjenstander større enn 12 mm i diameter | Dryppbeskyttet selv ved 15 ° helning |
| 3 | Beskyttet mot gjenstander større enn 2,5 mm i diameter | Sprutsikker |
| 4 | Beskyttet mot gjenstander større enn 1 mm i diameter | Skyllesikker |
| 5 | Støvbeskyttet | Spylingssikker |
| 6 | Støvtett | Spylingstett |
| 7 | Vanntett | |
| 8 | Trykkvanntett | |
| 9 | Beskyttelse mot høytrykksspyling |
Et produkt med IP-klasse 44 egner seg for utendørs bruk da det tåler vann fra alle vinkler (regn) og har god sprutbeskyttelse (støvbestandighet). Vanlige eluttak i boligen har vanligvis klassifisering IP21. I noen tilfeller må bare ett av de to tallene angis. I slike tilfeller erstattes det andre tallet med X (f.eks. IP2X).

CE-merking
CE-merket er en produktmerking hvor produsenten (eller importøren) bekrefter at alle europeiske sikkerhetsforskrifter og -krav som stilles til produktet er oppfylt. Dette gjøres i et dokument som kalles produsenterklæring. Alle elektroniske produkter må være i samsvar med en rekke EU-direktiver for å få godkjennelse for salg innenfor det europeiske økonomiske området (EØS). Bare når produktet oppfyller alle kravene i direktivet kan CE-symbolet brukes. De råder forbrukerne til alltid å se etter et CE-merke når de kjøper elektronikk.

Produkter som oppfyller kravene er merket med denne logoen.
Eksempler på produkter som krever CE-merking:
- Leker beregnet for barn under 14 år.
- Elektronikk som mobil- og batteriladere.
- Elektriske produkter som skjøteledninger.
- Produkter som brukes i bygge- og anleggsarbeid.
- Enheter beregnet på å brukes som beskyttelse mot helse- og sikkerhetfarer.
- Medisinsk utstyr