Koppling av lysdioder
Strömbegränsning
Till skillnad från en glödlampa begränsar inte en lysdiod hur mycket ström som går genom den. Om lysdioden kopplas direkt till en spänningskälla kommer spänningskällan att kortslutas och lysdioden gå sönder. Lysdioder måste därför kopplas i serie med resistorer som begränsar strömflödet.
Med Ohms lag är det lätt att räkna ut vilken strömbegränsningsresistor som behövs. I följande exempel ska vi driva en lysdiod via 5 V (d.v.s samma spänning som utvecklingskortet har).

Lysdioden har ett framspänningsfall på 2 V och bör drivas med 10 mA. Spänningskällan är 5 V. Utifrån denna information kan vi räkna ut vilken resistans som resistorn ska ha.

Enligt uträkningen ska resistorn ha en resistans på 300 Ω. I bokens tillhörande komponentkit finns inga sådana resistorer. Däremot finns 330 Ω-resistorer och sådana går lika bra att använda (i och med att deras resistans bara är lite högre). Tumregeln för resistorval är att alltid avrunda uppåt.
Värmeutveckling
Vi måste även undersöka att vi inte överskrider resistorns märkeffekt. Det gör vi med effektberäkningsformeln.

Eftersom 30 mW är långt under resistorns märkeffekt på 250 mW kan vi använda den utan risk för överhettning.
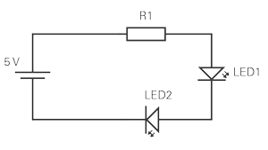
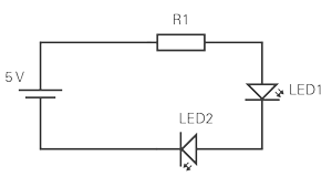
Seriekoppling av lysdioder
Det går utmärkt att seriekoppla lysdioder så länge deras sammanlagda framspänningsfall inte överstiger drivspänningen. Vi kan utan problem koppla in en likadan lysdiod till i serien. De två lysdiodernas totala framspänningsfall blir då 4 V, vilket är lägre än drivspänningen på 5 V.

Vi hade dock behövt byta ut resistorn mot en 100 Ω-resistor.

Den resistorn hanterar värmeutvecklingen utan problem.

Obs! Lägg märke till att vi inte hade kunnat koppla tre lysdioder i serie då det totala framspänningsfallet över lysdioderna hade varit högre än drivspänningen.
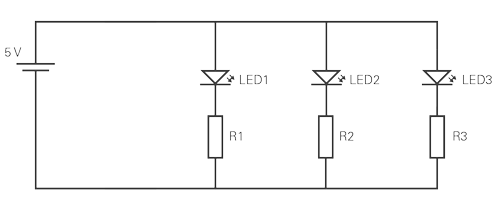
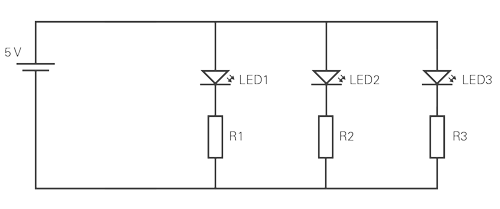
Parallellkoppling av lysdioder
Lysdioder går även att parallellkoppla. För att inte riskera överstiga märkeffekten på resistorn är det rekommenderat att koppla en resistor i serie med varje lysdiod. Om vi exempelvis vill koppla tre stycken lysdioder till en 5 V-spänningskälla använder vi tre resistorer som är kopplade på följande vis.

Vi behöver bara räkna ut värdet för en av resistorerna. Så länge lysdioderna är av samma typ kommer resistorerna också vara desamma.

Lägg märke till att vi redan har gjort uträkningen en gång tidigare. Vi vet således att det inte är något problem med värmeutvecklingen.
I detta fall hade vi kunnat koppla en enda gemensam resistor för att begränsa strömmen till de tre lysdioderna. Den kopplingen hade sett ut på följande vis.

Resistorns resistans skulle varit på 100 Ω och den hade klarat effektutvecklingen (90 mW). Om kretsen hade innehållit fler lysdioder (eller starkare lysdioder) hade det dock funnits risk för överbelastning av resistorn.
