Koppling av resistorer
Inkoppling av resistor
En resistor kopplas in på samma sätt som vi kopplade glödlampor i Seriekoppling och Parallellkoppling, men vi måste även kontrollräkna att inte värmeutvecklingen i resistorn blir för hög. De flesta vanliga resistorer har en märkeffekt på 0,25 W som inte får överstigas.
I följande exempel vill vi undersöka om vi kan koppla en 4,7 kΩ-resistor direkt till ett 9 V-batteri.

Kombinationen av Ohms lag och effektberäkningsformeln säger att effekten är spänningen i kvadrat dividerat med resistansen.

Eftersom 17 mW är betydligt mindre än 250 mW är det inga problem.
Vi kan även beräkna effekten genom att först ta reda på strömmen (med Ohms lag) och sedan räkna ut effekten utifrån spänningen och strömmen.

Seriekoppling av resistorer
Ibland är det svårt att hitta en resistor med den rätta resistansen. Ibland blir effektutvecklingen över en enskild resistor för hög. I båda fallen går problemet att lösa genom seriekoppling av resistorer.
Vid seriekoppling av resistorer adderas resistorernas resistans. I följande exempel vill vi seriekoppla en 220 Ω-resistor och en 330 Ω-resistor i en krets till ett 9 V-batteri.

Den totala resistansen räknas ut på följande sätt.

Vi kan använda Ohms lag för att beräkna strömmen som går genom kretsen.

Spänningsfall över seriekopplade resistorer
När vi vet strömmen kan vi även beräkna spänningsfallet över de två resistorerna.

Vi kan snabbt undersöka om vi har räknat rätt. Spänningsfallet över de enskilda resistorerna ska tillsammans bli ursprungsspänningen. Anledningen till att det inte stämmer exakt är avrundningarna som vi gjorde tidigare.


Värmeutveckling i seriekopplade resistorer
Vi måste även säkerställa att inte värmeutvecklingen blir för hög i någon av resistorerna. Det gör vi på följande vis.


Eftersom 56 mW och 85 mW är betydligt längre än de 250 mW som resistorerna klarar av är effektutvecklingen inget problem.
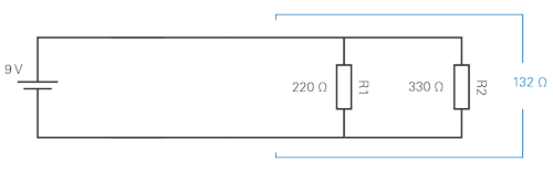
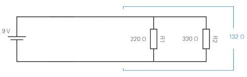
Parallellkoppling av resistorer
Resistorer kan också parallellkopplas. Då beräknas den totala resistansen på ett annat sätt. Den totala resistansen blir alltid lägre än den lägsta resistansen i parallellkopplingen (jämför med seriekoppling där resistansen ökar ju fler resistorer som kopplas in).
I följande exempel vill vi parallellkoppla en 220 Ω-resistor och en 330 Ω-resistor i en krets till ett 9 V-batteri.

Den totala resistansen räknas ut på följande sätt.


Tips! Om det endast är två resistorer som är parallellkopplade kan följande snabbformel användas för uträkning.

Ström genom parallellkopplade resistorer
Vi behöver inte räkna ut spänningen över parallellkopplade resistorer eftersom den är densamma. Däremot måste vi räkna ut vilken ström som går genom resistorerna. Det gör vi med hjälp av Ohms lag.

Vi kan snabbt undersöka om vi har räknat rätt. Summan av strömmen som går genom de parallellkopplade resistorerna ska vara lika stor som strömmen som går genom hela kretsen. Anledningen till att det inte stämmer exakt är avrundningarna som vi gjorde tidigare.

Precis som i tidigare exempel måste vi säkerställa att inte värmeutvecklingen i resistorerna blir för hög.


Tyvärr inser vi att värmeutvecklingen i 220 Ω-resistorn blir för hög! 370 mW är mer än de 250 mW som den är gjord för. Vi får därför ersätta den med två stycken seriekopplade 110 Ω-resistorer. Det blir samma resistans, men effektutvecklingen per resistor blir lägre.


Strömmen som går genom de två resistorerna är densamma (41 mA). Spänningen kommer däremot att fördelas över resistorerna.

Det innebär att effektutvecklingen i resistorerna blir lägre.

185 mW är lägre än 250 mW och det går därför bra att ersätta 220 Ω-resistorn med två 110 Ω-resistorer.