Belysningsinstallationer
Introduktion
Installation av belysning är inte svårt så länge det handlar om en enkel strömbrytare och en lampa. Om det ska gå att styra två lampor från tre olika strömställare gäller det däremot att hålla ordning på vilka trådar som går vart samt att välja rätt typ av strömställare. Viktigt är också att använda rätt färg på de olika kopplingstrådarna. Allt detta behandlas i detta kapitel.
Obs! Se Elarbeten du får göra själv för vilka arbeten som lekmän själva får utföra. Allt annat ska utföras av behörig elektriker.
Strömställare
Strömställaren (kallas även strömbrytare eller omkopplare) är en enkel komponent som används för att bryta strömmen i en krets. Den enklaste strömställaren kallas enpolig brytare och har endast två anslutningar. Genom att förse samma strömställare med en extra brytare går det att manövrera två lampor samtidigt oberoende av varandra. En sådan kallas kronomkopplare, vilket härstammar från att det förr var vanligt med takarmaturer (lampkronor) som innehöll två lampslingor som skulle kunna styras var för sig. Lamporna som användes då kallas än idag kronljus.

Exempel på enpolig brytare

Exempel på kronomkopplare
Enpoliga brytare och kronomkopplare används sällan utan istället används enkla respektive dubbla omkopplare. Detta för att dessa i princip alltid finns lättillgängliga i handeln. Illustrationerna på nästa sida visar inkopplingar som motsvarar de som visas ovan, men de är utförda med omkopplare istället för med enkla brytare. Funktionen blir exakt densamma. En enkel omkopplare går under benämningen trappomkopplare, medan en dubbel omkopplare kallas dubbel trappomkopplare eller bara dubbeltrapp. Dessa är egentligen tänkta för användning i trappkoppling, det vill säga när det ska gå att styra en lampa från två olika omkopplare.

Exempel på enkel omkopplare

Exempel på dubbel omkopplare (i kronkoppling)
Relaterade produkter
Typer av strömställare
Det finns flera olika strömställare för olika ändamål. Tabellen visar de mest använda varianterna och hur de marknadsförs. Helt vanliga enpoliga brytare och kronomkopplare har utelämnats i tabellen, då deras funktioner enkelt kan åstadkommas med hjälp av trappomkopplare.
| Typ av omkopplare | Symbol | Marknadsförs som | Antal knappar |
|---|---|---|---|
| Trappomkopplare | 1-pol / trapp | 1 | |
| Dubbeltrappomkopplare | Dubbeltrapp / kron | 2 | |
| Tvåpolig omkopplare | 2-pol | 1 | |
| Korskopplare | Kors | 1 |
Tänk på att strömställare ska monteras så att tillkoppling sker när knappen är riktad uppåt.
Inkoppling av strömställare
Strömställarens anslutningar är märkta för att tydligt visa hur inkopplingen ska göras. Anslutningen som är märkt L, P eller pil in är för fasledaren. Utgående anslutningar till tändtrådar är vanligen märkta med pil ut. Anslutningarna märkta med X är inte anslutna i strömställaren, utan kan användas som kopplingsplint för vidarekoppling av passerande ledare.

Anslutningar på strömställare
Tändtråd
Tändtråden är den ledare som går från strömställaren till lampan. För att kunna skilja på fasledare och tändtråd används olika färger. Detta gör att det i en kopplingsdosa går att se om en ledare kommer från en gruppsäkring (fasledare) eller från en strömställare. Färgerna som normalt används till tändtrådar är orange, vit eller grå. Det finns ett undantagsfall då det är tillåtet att använda blå ledare som tändtråd. Det är vid koppling mellan kopplingsdosa och omkopplare i utanpåliggande installation med EKK-kabel (solid). Förutsättningen för att få använda blå ledare i detta sammanhang är att det inte behövs någon neutralledare fram till omkopplaren (vissa omkopplare såsom rörelsedetektorer och elektroniska timers behöver neutralledare för att fungera). Använd inte grön eller gul ledare, då dessa kan förväxlas med skyddsledare. Undvik även röd ledare (även fast den är tillåten att använda) då den användes som skyddsledare i äldre dagars installationer.
Tänk på vid byte av strömställare
Tänk på att alltid bryta strömmen innan du påbörjar jobbet. Det är viktigt att du har klart för dig vilka ledare som används till vad och vilken funktion de har. Vid utbyte av strömställare i äldre anläggningar: tänk på att färgerna då användes annorlunda.
- Före 1970-talet användes vit som fasledare, svart som neutralledare och röd som skyddsledare eller tändtråd.
- 1970-2002 användes svart som fasledare och brun som tändtråd.
- I riktigt gamla installationer var rör och dosor tillverkade i metall med pappersisolering på insidan. Båda ledarna var svarta med en isolering av olja/tjära/PCB-impregnerad textil. Det är rekommenderat att i detta läge byta ut hela kabeln, då isoleringen ofta är så torr och spröd att brandrisk föreligger.
Trappomkopplare / enpolig strömställare
Trappomkopplaren kan användas som en enpolig strömställare genom att utelämna en av kopplingspunkterna. Trappomkopplaren används annars för att manövrera en lampa från två olika strömställare. Detta är vanligt i rum med två ingångar eller i en trappa. De två ledarna som går mellan omkopplarna kallas mellantrådar. Det går att använda samma färg på mellantrådarna som på tändtrådarna.

Trappomkopplare inkopplad som enpolig brytare

Trappomkopplare i trappkoppling
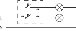
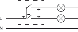
Dubbeltrapp / kronomkopplare
Dubbeltrappomkopplaren kan användas som kronomkopplare för att kunna manövrera två lampor oberoende av varandra. Det är användbart i exempelvis i badrum där det ska gå att separat styra taklampan och lampan till badrumsskåpet.
I trappkoppling kan dubbeltrappomkopplaren användas för att manövrera två lampor från olika platser. Ett exempel på detta kan vara belysningen i trapphus med tre våningar. Mellantrådarna i exemplet är orangea och vita.

Dubbeltrapp inkopplad som kronomkopplare.

Dubbeltrapp med två trappkopplingar från en plats
Relaterade produkter
Korsomkopplare
Korsomkopplarens funktion är mycket enkel. Det enda den gör är att den svänger om anslutningarna. Om det hade varit i en likströmskrets hade funktionen skapat en polvändning. Korsomkopplaren används i kombination med två trappomkopplare för att manövrera en lampa. Syftet är att kunna manövrera en lampa från tre olika platser, exempelvis i ett stort rum med tre ingångar.

Korskopplare med två trappomkopplare
Tvåpolig strömställare
Den tvåpoliga strömställaren används för att få en fullständig brytning av både fas- och nolledare vid koppling till bland annat fast installerad apparatur.

Tvåpolig strömställare som styr en lampa.
Dimmer
Användandet av dimmer ger förutom ökad trivsel och komfort en energibesparing och förlänger dessutom livslängden på lampan. Glöd- och halogenljus går utmärkt att dimmra utan att behöva ta hänsyn till dimmer- eller lampfabrikat. Det finns många olika dimmerlösningar på marknaden, med det är framförallt fyra typer som är vanliga:
Tyristordimmer
Tyristordimmern (använder egentligen komponenten TRIAC) är dimmertypen för resistiv och induktiv belastning, det vill säga glödlampor och konventionella transformatorer (kallas ibland även mekaniska transformatorer). I tyristordimmern sitter en stor spole som ibland kan upplevas störande på grund av dess surrande ljud. Tyristordimmern är utrustad med utbytbar säkring som löser ut om kortslutning skulle inträffa.
Transistordimmer
Transistordimmern bygger på fälteffekttransistorer (FET) och används för att dimmra resistiva och kapacitiva belastningar, det vill säga glödlampor och elektroniska transformatorer för lågvoltshalogen. Transistordimmern har ingen spole, utan sköter dimmringen elektroniskt med hjälp av sina transistorer. Den är därför, till skillnad från tyristordimmern, helt tyst. Transistordimmern har normalt ingen säkring, utan istället ett elektroniskt kortslutningsskydd.
Universaldimmer
Universaldimmern börjar bli allt vanligare eftersom den kombinerar det bästa från de båda tidigare nämnda dimmertyperna. Universaldimmern kan därför dimmra resistiva, kapacitiva och induktiva laster. Den kan dock inte dimmra kapacitiva och induktiva laster samtidigt.
Dimmer för varvtalsstyrning
Asynkronmotorn är den vanligaste typen av växelströmsmotor och den används bland annat av fläktar. När man startar en asynkronmotor är det viktigt att den startar på full effekt. En dimmer för varvtalsstyrning startar därför alltid på 100 % för att sedan gå nermot 0 %. Tänk på att det är skadligt för motorn att dimmras till en så låg nivå att den stannar. För att detta inte ska kunna inträffa finns det en justeringsskruv i dimmern med vilken det går att ställa in lägsta tillåtna varvtal.
Dimmer för lågenergilampor
För att dimmra lågenergilampor och LED-lampor krävs det att ljuskällans drivsteg och dimmer passar ihop. Traditionella dimmrar fungerar vanligtvis dåligt eller inte alls och kan därför inte rekommenderas. För att skapa en dimmerlösning till sådana ljuskällor måste den dimmer som tillverkaren av ljuskällan rekommenderar användas. En felaktig dimmerlösning kan leda till att ljuskällans drivsteg går sönder och blir obrukbart.
Inkoppling av dimmer
Att ersätta en enpolig strömställare med en dimmer är mycket enkelt. Det är endast två ledare som behöver anslutas.

En enpolig strömställare ersätts av en dimmer.
De flesta dimmrar har en trappkopplingsfunktion. Trappkopplingsfunktionen går lätt att känna igen genom att det finns två pilar som pekar in på dimmern. Det gör att det även går bra att använda dimmern i en trappkoppling.

En dimmer ersätter en trappomkopplare.
Exempelinstallation
I detta exempel visas hur en av normcentralens grupper kopplas in till en strömställare, två lamputtag och ett vägguttag. Exemplet visar en dold förläggning (kopplingen i väggar och tak som förbinds med rör och dosor). Exemplet visar också vilka färger som ska användas och hur dessa är förbundna.

Inkoppling av enkel 10 A-grupp
Exemplet utgår från en 10 A-säkring i normcentralen. Den inkopplade gruppen består av en strömställare som manövrerar två lamputtag. I gruppen finns också ett vanligt vägguttag. Dubbeltrappomkopplaren är inkopplad som en kronomkopplare och kan därför manövrera lamputtagen var för sig. Denna koppling används exempelvis i vardagsrum där ena uttaget går till taklampan och den andra uttaget går till fönsterbelysning. Notera hur gruppsäkringen är direkt förbunden med eluttaget. Detta för att eluttaget ska ge fast utspänning. Skarvning och hopkoppling av ledare görs i kopplingsdosan med toppklämmor. I exemplet används 1,5 mm2 FK-kabel förlagd i 16 mm VP-rör.



