Seriekobling og parallellkobling
Innleding
I dette kapittelet ser vi nÊrmere pÄ hvordan elektroniske komponenter kobles sammen i kretser. Komponentene kobles sammen enten i serie eller parallelt. Vi skal ogsÄ bli bedre kjent med bryterens funksjon.
Kretser
I en sluttet krets kan strÞmmen flyte fra den ene til den andre polen pÄ en spenningskilde. PÄ veien gÄr strÞmmen gjennom en eller flere komponenter.
I fÞlgende eksempel skal vi se nÊrmere pÄ hvordan strÞmmen oppfÞrer seg nÄr den gÄr gjennom kretser som bestÄr av et batteri og lyspÊrer. Kretsene vises skjematisk, og da brukes fÞlgende symboler:

PÄ batterisymbolet indikerer den lange streken plusspolen og den korte streken minuspolen. En lyspÊre har ingen polaritet (den kan kobles til begge veier), sÄ det spiller ingen rolle hvordan den kobles til polaritetsmessig.
Den enkleste kretsen bestÄr av et batteri og en lyspÊre. I fÞlgende eksempel brukes det et 9 V-batteri og en lyspÊre med effekt pÄ 3 W.

Det er enkelt Ä ved behov regne ut hvor mye strÞm som gÄr gjennom kretsen.

Â
Seriekobling
I en seriekobling kobles flere komponenter etter hverandre i samme serie. En tradisjonell adventsstake er et godt eksempel pÄ en seriekobling. Adventsstaken bestÄr av sju seriekoblede lyspÊrer. Hver lyspÊre har en effekt pÄ 3 W. De kobles til 230 V (dvs. stikkontakten). I fÞlgende skjematiske tegning tegner vi det som om det skulle ha vÊrt likespenning (selv om det egentlig er vekselspenning).

I en seriekobling som denne gÄr samme strÞm gjennom alle lyspÊrene. Under forutsetning av at lyspÊrene er identiske vil de ogsÄ ha samme spenning. Spenningen er nemlig avhengig av hvilken resistans lyspÊrene har (komponenter med hÞy resistans fÄr hÞyere spenning enn komponenter med lavere resistans).
I dette tilfellet er lyspÊrene identiske. Det innebÊrer at spenningen blir jevnt fordelt. Med sju lyspÊrer som skal "dele pÄ" 230 V blir det ca. 33 V over hver lyspÊrer.

Den totale effekten i kretsen er summen av de sju lyspĂŠrenes individuelle effekt (n er antall pĂŠrer).

Â
Vi kan ogsÄ regne ut hvor mye strÞm som gÄr gjennom kretsen.

Â

Â
Brytere
Ulempen med seriekoblede lyspÊrer i en adventsstake er at alle lyspÊrer slukkes hvis én lyspÊre blir Þdelagt. For at lyspÊrene skal lyse mÄ kretsen vÊre sluttet, og det er den ikke hvis en lyspÊre ikke leder strÞm.

Mange tenner og slukker adventsstakene ved ganske enkelt Ä skru ut en lyspÊre slik at kretsen brytes. Dette anbefales ikke, fordi man risikerer dÄrlig kontakt. Heldigvis er de fleste adventsstaker utstyrt med en bryter.

Bryteren er koblet i serie med lyspÊrene. NÄr bryteren er slÄtt pÄ, gÄr det en strÞm gjennom kretsen (kretsen er sluttet). NÄr bryteren er slÄtt av, gÄr det ingen strÞm gjennom kretsen (kretsen er brutt).

Â
Parallellkobling
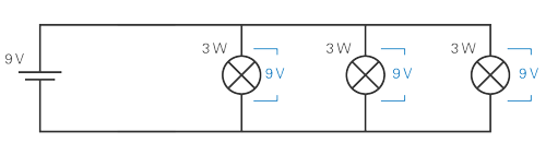
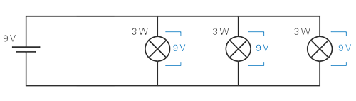
En annen mÄte Ä koble sammen lyspÊrer pÄ er Ä parallellkoble dem. Da kan én eller flere lyspÊrer gÄ i stykker uten at resten slutter Ä lyse.
I fÞlgende eksempel skal tre 3 W-lyspÊrer kobles til en spenningskilde pÄ 9 V.

Siden de er parallellkoblet, fÄr de samme spenning.

StrÞmmen som gÄr gjennom kretsen totalt, kan regnes ut pÄ fÞlgende mÄte:

Â
Den strĂžmmen blir fordelt mellom de tre lyspĂŠrene.Â

Â
Â
Serie- og parallellkobling av spenningskilder
I eksempelet med hÄndviften (fra kapittel 6.1 Spenning) drives viften av to AA-batterier. De to batteriene er seriekoblet med hverandre, som innebÊrer at spenningen deres summeres. Den totale spenningen fra batteriene blir dermed 3 V.

Alle alkaliske batterier har spenningen 1,5 V. Den eneste grunnen til at det vanligste rÞykvarslerbatteriet har spenningen 9 V er at det egentlig bestÄr av seks seriekoblede smÄbatterier.
Batterier kan ogsÄ parallellkobles. Da endres ikke spenningen, men kapasiteten (altsÄ hvor lenge batteriene varer) og maks.strÞmmen (hvor mye strÞm batteriene maksimalt kan yte) Þker.

KontrollspÞrsmÄl
SpÞrsmÄl 7a og 7b
Hvor mye strÞm gÄr gjennom kretsen? Hvor stor resistans utgjÞr hver enkelt lyspÊre?


Â
SpÞrsmÄl 7c og 7d
Hvor mye strÞm gÄr totalt gjennom kretsen? Hvor stor resistans utgjÞr hver enkelt lyspÊre?

Â

Â
Se fasiten i kapittel 36 Fasit.